座機:027-87580888
手機:18971233215
傳真:027-87580883
郵箱:didareneng@163.com
地址: 武漢市洪山區魯磨路388號中國地質大學校內(武漢)
華中地區中深層地熱在城市供暖中的應用
文章來源:地大熱能 發布作者: 發表時間:2024-11-01 09:34:27瀏覽次數:3727
0概述
熱泵技術是利用低品位熱能來實現供熱品質的提升,為了獲得溫度更高且穩定的低溫熱源,最直接的方法是增加取熱點深度。近年來,隨著勘探技術的發展和地下換熱裝置的研發,深層的地熱能逐漸被發掘。其中對于深度在2~3 km、巖層溫度70~1 00℃的這部分地熱應用前景最大。對于這部分中深層地熱能,如果能通過密閉換熱裝置從中取熱,在不破壞地下環境的前提下可以為熱泵提供溫度更高的低溫熱源,且基本不受氣候條件影響,可以保證熱泵機組長期、穩定地高效運行。
1項目概況
該項目為河南鄭州某小區的住宅建筑,建設周期分為一期和二期,總建筑規模約為70萬m2,經統計該小區供暖面積約為51萬m2,根據原設計資料, 一期、二期分設獨立換熱站,由各自熱網供給末端用戶,末端用戶為散熱器供暖。由于項目所在社區市政熱力條件缺乏,居民對采暖的需求強烈,為保證基本的民生要求,工程考慮采用中深層地熱采暖的方式為居民供熱。按照業主要求,新建能源站設置于小區西側外圍綠地內。
工程的設計范圍包括室外取熱井、室外熱網、 供熱站內的工藝及附屬設施設計。小區內供熱管網位于地下一層區域且已敷設完成并在原鍋爐房內起點處預留接口。鑒于此次供熱站為新建站,能源站供熱管網總管從能源站引出后接入小區供熱管網。
2負荷分析
2.1熱負荷
根據設計資料,項目按70%入住率的供熱負荷來進行設計,設計熱負荷約為1 2 495 kW,其中低區采暖負荷約7 820 kW,高區采暖負荷約4 675 kW。考慮到建設單位提供的用熱需求及周邊小區的實際用熱情況,此次設計提出負荷增長的需求,即按照 5年采暖接入率30%~70%爬坡考慮,第5年70% 達到規模來進行計算。根據原設計相關資料,供熱管網中低區最不利環路阻力損失為76 kPa,采暖供水管循環水泵出口處工作壓力為0.75 MPa;高區最不利環路阻力損失為64 kPa,采暖供水管循環水泵出口處工作壓力為1.30 MPa。
2.2全年供熱量
參照《民用建筑能耗標準》中對建筑耗熱量指標約束值和引導值的相關規定,鄭州地區約束值為0.2 GJ/m2·a,引導值為0.1 2 G J/m2·a,通過對類似工程的參考,該項目全年供熱耗熱量指標取0.2 GJ/m2·a。該項目供熱參數見表1。

3供熱分析
3.1地熱井形式
中深層地埋管供熱系統主要包括中深層地熱換熱系統、地熱熱泵系統、建筑室內供熱系統,傳統型地源熱泵系統中所包含的地下水系統以及地表水系統都屬于水熱型的基本范疇,該范疇內的系統都受地質條件因素的影響較大,需要建立在水源充足的地區。而深層地熱系統的熱源是地下幾千米深的高溫巖石——干熱巖,通過水與巖石之間的換熱來達到加熱水的目的,整個換熱過程中僅存在著能量的交換,從而避免例如地下水系統中所存在的與經濟過度開采、地下水污染等環境問題。相對于取熱水+回灌技術利用形式,采用U型管間接取熱方式,通過與深層地熱的換熱,來提高水溫,不會對地下水系統產生直接影響,具有較為廣闊的應用前景。因此,該項目推薦采用U型管間接取熱方式。項目地下換熱系統準備鉆3組U型地熱井,小區供暖項目采取深層地熱井+水源熱泵機組+風冷熱泵提供熱源。地熱井井深2 700 m左右(以實際鉆井數據為準),每組井設計總循環水量40 m3/h,抽取的熱水出口溫度70℃,地熱尾水回水溫度9℃。
3.2供熱能力分析
參考周邊類似項目,該工程供熱主要采用中深層地熱,其余不足部分由空氣源熱泵提供。來自地熱井的70℃高溫水通過一級板式換熱器制取58℃的熱水后降溫至50℃,一級板換后的溫水通過二級板換后降溫至9℃返回地熱井進行重新加熱,二級板換的二次側循環制取1 5/7℃的溫水,溫水供熱泵機組蒸發端的冷卻使用,機組高溫側循環末端58/48℃的采暖熱水。末端總供熱量Q總由一級板換熱水Q1、熱泵機組供熱量Q2和風冷熱泵機組Q3共同負擔,即Q總=Q1+Q2+Q3,熱泵機組的供熱量可視為蒸發端的吸熱量和自身輸入功率之和。在該工程中,系統總供熱量為Q總=1 2 495 kW。系統的裝機原則為:熱源供應系統的供應能力>冬季最大連續采暖負荷。
地熱井供熱Q1
Q1=1 20 m3/h×(70℃—50℃)×1.1 63 kW/(℃m3/h)=2 790 kW;
Q2=1 20 m3/h×(50℃—9℃)×1.1 63 kW/(℃m3/h)/(1-1/COP)=7 765 kW
風冷熱泵機組供熱Q3
風冷熱泵提供地熱井供熱能力的不足部分,由Q總=Q1+Q2+Q3可知,Q3=Q總-Q1-Q2=1 2 495-2 790-7 765=1 940 kW該項目地熱井直接利用部分所提供的最大供熱量Q1+Q2約為1 0 555 kW,基本上能保證在60%入住率設計環境下的采暖熱需求,但是考慮到入住率的增長以及極端天氣下采暖熱需求,項目需考慮輔助熱源保證該項目冬季負荷不小于小區的需熱量。根據現場實際情況以及周邊項目的調研結果,選擇采用風冷熱泵作為補充熱源。鄭州低區冬季室外空調設計溫度為-6℃,風冷熱泵效率受環境影響較大,因此需設置在設計溫度下的供熱量大于Q3的設備。工程擬選擇1 4臺設計工況下制熱量為1 55 kW的風冷模塊化熱泵機組,外機安裝于室外屋面,水泵設置在能源站內,風冷熱泵可根據后期負荷增長情況分期安裝。
4系統流程
4.1系統流程
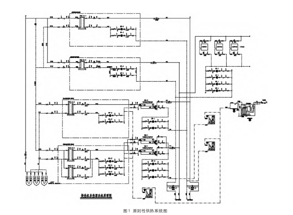
該工程地熱井通過深井泵抽取循環水,地熱井出水溫度70℃,熱水經一級換熱器直接換熱,把48℃的用戶采暖回水加熱到設計溫度58℃,一級板換出水溫度為50℃;一級板換后的地熱尾水進入二次板換降溫,通過二級板換制取1 5/7℃的二次溫水,二次板換出水溫度暫定9℃。二次溫水通過熱泵機組后冷卻降溫,冷凝端將用戶48℃的回水提升至58℃再次循環。二次板換處理后的冷水回灌至地熱井進行重新加熱循環。風冷熱泵作為補充熱源,經循環水泵提升后并聯至供熱系統。供熱系統原理圖見圖1。
4.2主要設備參數
該工程高區、低區獨立供熱,系統主要供熱設備包括換熱設備、提溫設備、輸送設備及相應的輔機等。除室外循環泵外,一期二期其余設備配置完全相同,按兩套設計。
1)換熱設備
該工程換熱設備采用板式換熱器,與末端建筑高、低區供熱管網相對應,共分為一級板換和二級板換,設備參數見表2。
2)熱泵機組
對于二次溫水提升的水源熱泵系統,設計熱負荷共為7 734 kW,此次針對高、低區的供熱相應分別選擇1臺和2臺熱泵機組;熱泵機組主要參數見表3,其中風冷熱泵選用超低溫型模塊化機組,并根據負荷增長情況分期安裝。
3)水泵
水泵作為主要提水設備,室外地熱井循環泵選

型原則是根據地熱水的水質、水量、水溫、出水壓力,室內部分依據工藝流程與管道布置進行計算。水泵的選型計算可參照相關技術資料。
4.3運行模式
該系統應以優先利用地熱資源直供為首要控制目標,在部分負荷時,優先采用板換機組供熱,并根據負荷的增長需求對應開啟相應的熱泵臺數,當水源熱泵機組不能滿足供熱需求時開啟相應的風冷熱泵機組。熱水采用一次泵變流量系統,與熱泵機組、換熱機組熱水二次側匹配的變頻泵,供回水總管設壓差旁通調節。項目供熱系統二次側采用量調節的運行方式。后續將結合廠區的實際使用情況,計算完善量調節時二級網供回水流量對應情況。
5結論與注意事項
1)該工程采用中深層地熱器作為建筑穩定的供熱熱源,在系統中結合熱泵輔助可保證系統穩定高效運行。供暖技術熱源側采用封閉式換熱器,無需提取地下水,對地下水資源無影響。據統計,如果地埋管間距在50 m以上,經過1個供暖季的取熱,地下土壤平均溫降小于2℃,在供暖季結束后4個月即可恢復,夏季無需額外補熱,保證熱泵系統長期高效地運行,很好地適應了建筑的用能特點。
2)由于該工程為已建住宅小區,末端用戶采暖方式為散熱器取暖,末端供熱溫度達到58℃,經運行模擬分析,70%的入住率下系統全年運行綜合效率COPa約為3.7,若按末端溫度為45℃設計時,系統全年運行綜合效率COPa可達到7以上。因此,地熱供暖項目應在前期規劃,供暖溫度應結合項目熱源使用情況進行綜合考慮,才能發揮地熱清潔供暖的高效、節能意義。
3)中深層地熱供熱技術應用應在對當地地熱資源勘察的基礎上進行技術經濟分析,盡可能地對地熱資源充分利用,降低地熱尾水的回水溫度。該工程地熱尾水回灌溫度為9℃;如系統采用地下水取熱形式,應確保換熱后的地熱尾水回灌到同一含水層,且不得對地下水資源造成浪費和污染。
上一篇 > 某高檔住宅小區10 萬平方米采用地源熱泵系統供暖、制冷和生活熱水
下一篇 > 某市中心城區再生水源熱泵供熱供冷項目








